[Restauration] - APPLE 2 Europlus 820-0044C + Disk II

De l'héritage d'APPLE (PowerPC, 68k), aux systèmes alternatifs (Distributions Linux, BeOS, OS/2, ...)

Modérateur : Membres WDA

Règles du forum
N'oubliez pas; Présentez-vous ...
(Règlement interne du forum WDA)
Avatar du membre
Krapoutchik
Contrôle WDA
Contrôle WDA
Messages : 1095
Enregistré le : 01 juil. 2009, 08:00
Collectionneur (-euse) ? : Oui
Localisation : Paris

[Restauration] - APPLE 2 Europlus 820-0044C + Disk II

Message non lu par Krapoutchik »

Hello,

J'ai récupéré un Apple 2 Europlus avec une carte mère 820-0044C, j'ai cru que c'était une carte mère chinoise mais finalement non, c'est une vraie de vraie :D .

Avant de le remettre en route il y a un peu de boulot de nettoyage et de vérifications diverses, la routine quoi :mrgreen: .

Là, c'était avant ... et encore, j'ai enlevé la paille et des papiers moisis !
Apple 2 Europlus
Apple 2 Europlus
Vérification de l'alimentation pour remplacement préventif du condensateur de filtrage secteur...
Alimentation AA 11040C
Alimentation AA 11040C
Tiens ... quelqu'un est passé par là avant moi, le vernis de blocage des vis est parti et la carrosserie porte des coups de tournevis :eh: .
Le condensateur de filtrage d'origine a déjà été changé par un modèle standard qui ne convient pas à cet endroit, il faut un modèle spécifique X2.
Allez hop... changement de condo, on le voit un peu sur la photo mais l'ancien a chauffé et est déformé, il était temps de le mettre à la retraite :icon_smile: .
X2 - AA-11040C.JPG
C'est une alimentation bi-tension. On voit bien les 2 plots (select 115V) à relier ensemble pour le fonctionnement en 115V.

Aller, une dernière pour la route...
Carte mère Apple 2 Europlus 820-0044C
Carte mère Apple 2 Europlus 820-0044C
Il manque un chip mémoire, c'est normal :think: , en effet c'est à cet endroit que se connecte la nappe qui va vers la carte langage.

La suite un peu plus tard, clavier, carte mère et floppy à vérifier/nettoyer ::wink: .
Tektronix 454A, Atten ADS 1102CAL Powa !!
Born to bricole
[Rch] Vieux composants électroniques et circuits intégrés toute époque et vieilles cartes à microprocesseur
Ma petite collection...
Tutoriel pour insérer des photos...
Avatar du membre
amauget
Messages : 12
Enregistré le : 14 janv. 2014, 22:44
Collectionneur (-euse) ? : Oui

Re: [Restauration] - APPLE 2 Europlus 820-0044C

Message non lu par amauget »

Hello Krapoutchik,

As-tu testé la carte mère ?
Antony
Apple II forever
Avatar du membre
Krapoutchik
Contrôle WDA
Contrôle WDA
Messages : 1095
Enregistré le : 01 juil. 2009, 08:00
Collectionneur (-euse) ? : Oui
Localisation : Paris

Re: [Restauration] - APPLE 2 Europlus 820-0044C

Message non lu par Krapoutchik »

Hier j'ai testé l'alimentation qui est OK et fait du nettoyage de carrosserie, j'ai jeté un petit coup d'oeil sur le floppy qui a la tête noire de crasse et a servi de HLM pour araignée :eeeek: .
Je n'ai pas encore mis la carte mère sous tension mais je peux déjà dire qu'elle est en panne, en inspectant tous les circuits intégrés, une patte d'une mémoire est restée dans le support ::(, une autre mémoire est quasiment dans le même état ::twisted: , d'autres mémoires ont également des points de rouilles sur les pattes, je crains le pire :bullwhip:.
D'un autre coté, j'aurais été un peu déçu que tout fonctionne du premier coup ::wink:.
Tektronix 454A, Atten ADS 1102CAL Powa !!
Born to bricole
[Rch] Vieux composants électroniques et circuits intégrés toute époque et vieilles cartes à microprocesseur
Ma petite collection...
Tutoriel pour insérer des photos...
Avatar du membre
Krapoutchik
Contrôle WDA
Contrôle WDA
Messages : 1095
Enregistré le : 01 juil. 2009, 08:00
Collectionneur (-euse) ? : Oui
Localisation : Paris

Re: [Restauration] - APPLE 2 Europlus 820-0044C

Message non lu par Krapoutchik »

Quelques news.... :D

Mise sous tension...
avant.JPG
Pas terrible ::( ...
Un petit coup d'oscilloscope et... aucune activité sur le bus de données et d'adresses. Allons bon, un processeur de mort ::twisted: .
Par contre le reste de la carte à l'air de fonctionner, je suis assez étonné de voir un affichage, enfin c'est vite dit, avec un proco sans activité.
Par acquis de conscience, j'effectue une petite vérification de ce qui arrive sur le 6502 en me disant que c'est peut-être le support qui débloque et... surprise :drunken: , pas de signal d'horloge sur la patte mais il arrive bien sur la face soudure.
Comme par hasard la patte comporte un peu de rouille, j'avoue que si j'ai bien enlevé et retiré tous les circuits il n'y a que le 6502 que je n'avais pas retiré, je l'avais juste légèrement soulevé puis ré-enfoncer.
Une fois enlevé complètement du support avec, à ses cotés, une ram dans le même état.
sans pattes.jpg
C'est l'heure de la récréation, je vais jouer au Dr Krapoutchikstein, gniark gniark... je m'en vais leur greffer des pattes d'un autre pavé HS :nuclear: .
avec pattes.jpg
Pas de souci pour le 6502 dont le bout de patte restant est assez grand pour pouvoir lui souder très facilement une nouvelle patte. J'ai eu plus de souci pour la ram, on le voit mal sur la photo mais il ne reste quasiment plus de métal pour souder une nouvelle patte, après ponçage, grattage du boitier plastique autour de la patte j'y arrive sans faire souffir la ram.

Nouvelle mise sous tension, ha... j'ai un peu plus de grand n'importe quoi à l'écran, des points des traits, le clavier ne réagit pas et il n'y a pas de bip à l'allumage.
Re-oscilloqcope... cette fois ci il y a de l'activité partout, c'est carrément la foire du trone :mrgreen: !
Aller hop j'ai un signal tout moisi sur la ligne de sortie commune à 3 rams, si il monte bien à quasiment 5v il ne descend pas en dessous 2v et ça c'est pas bon pour faire un zéro logique ::cry: .
Je pioche une ram sur la carte langage et la met à la place de la ram suspecte et...
820-0044C repare.JPG
Youpeeeeeeeee !!!

Hop hop hop.... pas trop vite :bullwhip: ...
Un tiers des touches du clavier ne réagissent pas, un tiers m'affiche des lettres différentes de la touche et un autre tiers à l'air de marcher, il va falloir tout démonter et sur un clavier de 2+ c'est pas de la tarte :wall: .
La suite plus tard ::wink: ...
Tektronix 454A, Atten ADS 1102CAL Powa !!
Born to bricole
[Rch] Vieux composants électroniques et circuits intégrés toute époque et vieilles cartes à microprocesseur
Ma petite collection...
Tutoriel pour insérer des photos...
Avatar du membre
LeGrapyl
Posteur habitué
Posteur habitué
Messages : 18
Enregistré le : 27 mars 2014, 22:21
Collectionneur (-euse) ? : Oui
Localisation : Montpellier

Re: [Restauration] - APPLE 2 Europlus 820-0044C

Message non lu par LeGrapyl »

Chouette ! Je pense que ça me servira ::roll:
J'ai un IIe à réparer à l'occasion :doh: ...
11529663066_33a1c90510_z.jpg
Avatar du membre
amauget
Messages : 12
Enregistré le : 14 janv. 2014, 22:44
Collectionneur (-euse) ? : Oui

Re: [Restauration] - APPLE 2 Europlus 820-0044C

Message non lu par amauget »

Hello,

Bien joué Krapoutchik :8:

Par contre, extrême prudence avec ce type de clavier : si c'est bien le modèle auquel je pense, les filtages sont faits dans du plastique qui casse comme du verre.
Et les contacts se font avec des rangées de morceaux de métal. Un vrai casse-tête à remonter.

Bon courage et tiens-nous au courant.
Antony
Apple II forever
Avatar du membre
Krapoutchik
Contrôle WDA
Contrôle WDA
Messages : 1095
Enregistré le : 01 juil. 2009, 08:00
Collectionneur (-euse) ? : Oui
Localisation : Paris

Re: [Restauration] - APPLE 2 Europlus 820-0044C

Message non lu par Krapoutchik »

Merci Antony de cet excellent conseil, c'est vrai que je me suis toujours demandé qui était le psychopathe qui avait imaginé un clavier pareil :bullwhip: .
D'ailleurs les commentaires des uns et des autres sur différents forums sont assez unanimes, ce clavier est une vrai horreur à démonter et remonter ::twisted: .

Bon, j'ai 2 nouvelles une bonne et une mauvaise ::cry: , je commence par la bonne.

Après test à l’ohmmètre, le clavier est comme neuf, toutes les touches répondent bien, pas de faux contact ni court circuit.

La mauvaise, l'encodeur AY 5-3600 est mort, le plus énervant est qu'il mort petit à petit devant moi, les sorties sont passées à l'état flottant les unes à la suite des autres, d'après le web je ne suis pas le seul dans ce cas (ça me fait une belle jambe) ::twisted: .
Le coupable est le gros circuit à 40 pattes à droite sur la photo et je ne peux pas le changer car je n'en ai pas dans mon stock de composants et il s'agit d'un circuit spécifique Apple qui ne peux venir que d'un autre clavier de 2+ :shifty: .
claviereuroplus.jpg
La carrosserie est bien plus propre maintenant que sur les premières photos ::wink: .

Bon je vais passer au floppy, ça va être moins simple à tester sans clavier :think: .

Mais... je n'ai pas dit mon dernier mot... :doh: .
Tektronix 454A, Atten ADS 1102CAL Powa !!
Born to bricole
[Rch] Vieux composants électroniques et circuits intégrés toute époque et vieilles cartes à microprocesseur
Ma petite collection...
Tutoriel pour insérer des photos...
Avatar du membre
amauget
Messages : 12
Enregistré le : 14 janv. 2014, 22:44
Collectionneur (-euse) ? : Oui

Re: [Restauration] - APPLE 2 Europlus 820-0044C

Message non lu par amauget »

Hello Krapoutchik,

L'encodeur, c'est vraiment la tuile.

Heureusement, il existe une solution : apple ll Super Encoder.
C'est pas donné mais cela permet de conserver le clavier d'origine.
Antony
Apple II forever
Avatar du membre
Krapoutchik
Contrôle WDA
Contrôle WDA
Messages : 1095
Enregistré le : 01 juil. 2009, 08:00
Collectionneur (-euse) ? : Oui
Localisation : Paris

Re: [Restauration] - APPLE 2 Europlus 820-0044C

Message non lu par Krapoutchik »

Oui j'ai vu cette solution mais je ne vais pas garder cette machine, je n'ai pas la place :doh: donc je ne vais pas faire de frais dessus.
Elle sera dispo à l'échange avec son floppy et sa carte language (où il manque quelques rams).

Par contre ça m'a donné une idée, je me demande si je ne vais pas faire une bricole avec un Arduino qui remplacerait complétement l'encodeur.
J'ai vu des Arduino chinois qui iraient bien à 15 euros environ. je me tâte :mrgreen: .
J'ai déjà un Arduino mais qui ne comporte pas suffisamment de broches pour connecter le clavier, je ferai un essai en décodant 1 ou 2 rangées de touches.
Tektronix 454A, Atten ADS 1102CAL Powa !!
Born to bricole
[Rch] Vieux composants électroniques et circuits intégrés toute époque et vieilles cartes à microprocesseur
Ma petite collection...
Tutoriel pour insérer des photos...
Avatar du membre
Krapoutchik
Contrôle WDA
Contrôle WDA
Messages : 1095
Enregistré le : 01 juil. 2009, 08:00
Collectionneur (-euse) ? : Oui
Localisation : Paris

Re: [Restauration] - APPLE 2 Europlus 820-0044C

Message non lu par Krapoutchik »

j'ai commencé a attaquer le floppy, il s'agit d'un Shugart SA 390 fabriqué aux USA, il est reconnaissable à sa spirale "escargot" noire, sa carte analogique qui ne comporte qu'un seul réglage, ses 2 selfs apparentes sur un barreau de ferrite, sa nappe de connexion multicolore non blindée...

Le réveil est difficile, le moteur d'avance tête et toute la logique à l'air d'être OK mais le moteur d’entrainement de la disquette ne fonctionne pas. J'ai vérifié les 2 transistors de la carte moteur qui sont bon, j'ai un peu peur que le circuit intégré (LM2917) de contrôle de la vitesse ne fonctionne pas ::( , j'ai encore 2 ou 3 trucs à vérifier avant de l'incriminer définitivement.

Par contre, là où j'ai passé le plus de temps c'est sur la recherche des schémas, c'est quand même plus pratique et rapide pour faire le dépannage.
Si les schémas de la carte contrôleur et de la carte analogique sur le floppy se trouvent partout, j'ai eu un peu plus de mal pour la carte moteur d’entrainement.
Le plus intéressant c'est que j'ai trouvé non pas un , pas deux mais trois schémas différents correspondant à 3 cartes différentes :banana: . Rien que pour ça je suis content d'avoir eu le besoin de faire cette recherche :8: .
J'ai fait ZE compil de tous les schémas de toute la partie disque de l'APPLE 2, la carte contrôleur, la carte analogique et les cartes moteurs différentes :rock:

Et elle est où la compil, hein... elle est où... aller... steuplait :pray: ...

Et hop...
disk_2_full schematics.pdf
Tous les schémas pour l'APPLE DISKII
(968.36 Kio) Téléchargé 1574 fois
Schémas des cartes :
Controleur disque : 650-X104
Carte analogique sur le floppy : 650-0103
3 cartes moteurs d’entrainement disquettes, référence 25063 , 25129 et l'autre mais je ne suis pas sûr de la référence 258596 ou 250596.

Autrement pour mon problème de clavier et de KR3600 HS, je crois avoir trouvé une solution alternative à base d'Arduino UNO.
En effet il existe une bibliothèque qui prend en charge un clavier PS/2 ou USB avec un branchement ultra simple sur l'Arduino, 4 fils :8: , l'appui sur une touche du clavier est directement décodé par la bibliothèque, donc il n'y a rien à écrire si ce n'est un petit script de conversion de l'ASCII en code 7 bits, genre IF key(A) suivi d'un digitalwrite sur chacune des 7 sorties correspondant aux 7bits de la nappe clavier ou écriture direct avec l'instruction PORTx 1000001 par ex.
Après ce test il faut envoyer une pulse de 10µs sur la broche strobe pour que l'Apple prenne en compte les 7 bits.
Bon ça c'est la théorie comme dirait l'autre YAKAFOKON :mrgreen: .
Tektronix 454A, Atten ADS 1102CAL Powa !!
Born to bricole
[Rch] Vieux composants électroniques et circuits intégrés toute époque et vieilles cartes à microprocesseur
Ma petite collection...
Tutoriel pour insérer des photos...
Avatar du membre
amauget
Messages : 12
Enregistré le : 14 janv. 2014, 22:44
Collectionneur (-euse) ? : Oui

Re: [Restauration] - APPLE 2 Europlus 820-0044C

Message non lu par amauget »

Hello Krapoutchik,

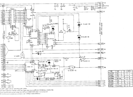
Excellent. Pour compléter, voici le schéma de la carte controleur Disk II.
applefdc.gif
J'attends les infos sur ta solution à base d''Arduino UNO. Cela me tente bien...
Antony
Apple II forever
Avatar du membre
Krapoutchik
Contrôle WDA
Contrôle WDA
Messages : 1095
Enregistré le : 01 juil. 2009, 08:00
Collectionneur (-euse) ? : Oui
Localisation : Paris

Re: [Restauration] - APPLE 2 Europlus 820-0044C

Message non lu par Krapoutchik »

Ah... le schéma de la carte contrôleur est à la première page dans le PDF, tu ne le vois pas :think: ?

Bon ben la carte moteur est bien HS, c'est le circuit LM2917 qui est mort ::( .

En attendant de trouver le circuit qui va bien ou une carte moteur complète j'ai effectuer un nettoyage complet du bestiaux.
La suite en image :mrgreen:
Shugart SA 390 made in USA.
Shugart SA 390 made in USA.
Shugart SA 390 , carte analogique 650-0103
Shugart SA 390 , carte analogique 650-0103
Grrrr.... Le LM 2917 est mort
Grrrr.... Le LM 2917 est mort
La tête a vraiment besoin d'un bon shampoing !!!
La tête a vraiment besoin d'un bon shampoing !!!
Pour un bon nettoyage rien ne vaut un bon démontage !
Le presse disquette était un peu grippé et en plus son ressort était monté à l'envers, démontage et hop il a rajeuni de 30 ans comme le roulement à bille de l'axe du support disquette d'ailleurs. Un coup de WD40 pour les deux c'est moi qui régale :8: .
Bien sûr j'en ai profité pour nettoyer le sillon de "l'escargot".
5demontage.JPG
Tête et glissières toutes propres. A coté de la tête on voit la vis qu'il ne faut jamais toucher sous peine de réalignement complet du floppy !
6tête propre et glissières.JPG
Maintenant je vais faire un peu d'exploration de la librairie PS2Keyboard de l'Arduino :mrgreen: .
Tektronix 454A, Atten ADS 1102CAL Powa !!
Born to bricole
[Rch] Vieux composants électroniques et circuits intégrés toute époque et vieilles cartes à microprocesseur
Ma petite collection...
Tutoriel pour insérer des photos...
Avatar du membre
amauget
Messages : 12
Enregistré le : 14 janv. 2014, 22:44
Collectionneur (-euse) ? : Oui

Re: [Restauration] - APPLE 2 Europlus 820-0044C + Disk II

Message non lu par amauget »

Hello,

::oops: Je suis allé un peu vite à la lecture de ton précieux PDF.

Ce modèle de carte analogique est plus ancien. On les reconnait facilement : il y a un trou au mileu de la carte.
Antony
Apple II forever
Avatar du membre
tilt_93
Membre V.I.P.
Membre V.I.P.
Messages : 149
Enregistré le : 14 mars 2010, 17:34
Collectionneur (-euse) ? : Non

Re: [Restauration] - APPLE 2 Europlus 820-0044C + Disk II

Message non lu par tilt_93 »

Salut Krapoutchik,

Bravo pour ce travail de remise en route. Toujours aussi pointu dès qu'un oscillo ou un fer à souder est requis :clap:

j'ai aussi un Europlus rev"C", que j'avais amené lors d'une visu WDA et (un peu) remis en état (il doit y avoir un post sur le forum). J'avais pas mal galéré avec le clavier, et d'ailleurs il vient à nouveau de me jouer des tours (la touché 'Enter' en prime :doh: ). De ton côté il semble que tu ai le "bon" clavier (c'est à dire le meme que les II+ US). Si c'est bien bien le cas, c'est un énorme avantage. par contre le décodeur HS c'est une sacré tuile...

Pour le lecteur Disk II, au cas où, j'en ai toujours un "en rab", récupéré dans le stock doublon de la WDA. Il te sera plus utile que moi (puisque j'en ai 2 connecté et un pour le spare). Fais moi signe si tu en as besoin.

Tilt
Avatar du membre
Krapoutchik
Contrôle WDA
Contrôle WDA
Messages : 1095
Enregistré le : 01 juil. 2009, 08:00
Collectionneur (-euse) ? : Oui
Localisation : Paris

Re: [Restauration] - APPLE 2 Europlus 820-0044C + Disk II

Message non lu par Krapoutchik »

Salut Tilt,

Ca faisait longtemps, content de te revoir ici :party: !

Je me souviens très bien de tes galères avec ton clavier, c'est la raison pour laquelle je n'ai pas cherché à le démonter et ai cherché (et trouvé) la panne qui était finalement sur l'encodeur.

Je te remercie pour le diskII mais je crois qu'il y en a un en vrac à la WDA, ça me fera une occase pour passer dans la grotte et en même temps payer ma cotise annuelle :mrgreen: .

De mon coté j'ai bien avancé sur mon projet de remplacement du clavier par un clavier type PS/2 et un Arduino, en théorie ça marche, les signaux sont bons, les caractères bien décodés sur la sortie 7 bits et le strobe est bien généré et il y a même un autorepeat sur chaque touche :8: .
YAPLUKA connecter sur connecteur DIL 16 de l'APPLE et a mappé le reset sur une touche du clavier :alphat: .

J'ai résolu une petite pétouille, mauvais mappage de touche, dans la librairie PS2Keyboard et, pour bien faire, il me faudrait inverser le mappage des touches pour transformer les minuscules en majuscule et ainsi obtenir les minuscules par l'appui sur Shift, en effet on passe plus de temps en majuscule sur un Apple 2 qu'en minuscules ::wink: .

Cerise sur le gateau, tout ça marchera avec un Arduino Uno standard ou compatible chinois, les moins chers, il ne faudra qu'une prise femelle PS/2 (minidin 6) qu'on trouve facilement sur de vieilles cartes mères PC en panne, quelques bouts de fils et un support 16 pattes, elle est pas belle la vie :rock: !

Ce système pourra même fonctionner sur des vieux Sasfepu comportant une entrée claviers 7 ou 8 bits, j'ai 3 mappages de clavier disponibles, anglais allemand et français.
Tektronix 454A, Atten ADS 1102CAL Powa !!
Born to bricole
[Rch] Vieux composants électroniques et circuits intégrés toute époque et vieilles cartes à microprocesseur
Ma petite collection...
Tutoriel pour insérer des photos...

Qui est en ligne

Utilisateurs parcourant ce forum : ClaudeBot [Bot] et 5 invités