Bonjour,
Je cherche des infos sur la Famicom.
J'ai fais l'acquisition d'une Famicom en état de marche "inconnu" (vendu "as is" par un japonais).
J'ai lu quelque part que l'alimentation était :
10V DC, - C + (- à l'intérieur, + à l'extérieur)
La sortie graphique serait une prise RCA, à convertir en prise antenne.
Je voudrais savoir si lors de la mise sous tension une loupiotte s'allume ou non ? (comme sur la NES)
Ensuite, il faut bien bidouiller une prise RCA -> Antenne ? Quel est le sens à respecter pour le branchement ? centre -> centre et autour -> autour ?
Comment mettre les switchs derrière la famicom pour obtenir quelque chose ?
Merci !
[Résolu] [Qst] - Démarrer une Famicom
Modérateur : Membres WDA
[Résolu] [Qst] - Démarrer une Famicom
Modifié en dernier par metalman le 01 déc. 2013, 16:21, modifié 2 fois.
--
Metalman !
Association Pentacle Technologie
Metalman !
Association Pentacle Technologie
- Casio
- Bureau WDA

- Messages : 3544
- Enregistré le : 23 mars 2004, 10:55
- Collectionneur (-euse) ? : Oui
- Localisation : Paris XVI / Jouques
Re: [Qst] - Démarrer une Famicom
Dans un premier temps, si cela peut aider, j'avais commencé à recenser quelques diagrammes vidéos, peut-être celui de la Famicom :
Diagrammes des câbles RGB Péritel de quelques ordinosaures
Re: [Qst] - Démarrer une Famicom
Il y a la Super Famicom, mais pas la Famicom même ! 
Je demande ici avant de demander dans d'autres forums, peut être que j'aurai LA réponse !
EDIT : l'arrière ressemble à ça :
EDIT2 : Avec une alim' assez naze, sur les canaux 82 Mhz et 81 Mhz j'ai des morceaux d'images avec presque de la couleur et le titre... seul problème : j'ai un téléviseur philips qui me propose de changer seulement l'unité en Mhz (pas en dessous), et je peux choisir "France" LL, "West Europe" BG, "East Europe" DK ou "UK" I.
Devrais-je chercher un autre téléviseur ? (j'ai un beau samsung plat tout neuf, mais je ne sais pas comment passer NTSC/PAL/SECAM avec... il fait tout automatiquement (fu.))
Je demande ici avant de demander dans d'autres forums, peut être que j'aurai LA réponse !
EDIT : l'arrière ressemble à ça :
EDIT2 : Avec une alim' assez naze, sur les canaux 82 Mhz et 81 Mhz j'ai des morceaux d'images avec presque de la couleur et le titre... seul problème : j'ai un téléviseur philips qui me propose de changer seulement l'unité en Mhz (pas en dessous), et je peux choisir "France" LL, "West Europe" BG, "East Europe" DK ou "UK" I.
Devrais-je chercher un autre téléviseur ? (j'ai un beau samsung plat tout neuf, mais je ne sais pas comment passer NTSC/PAL/SECAM avec... il fait tout automatiquement (fu.))
Modifié en dernier par Casio le 01 déc. 2013, 02:40, modifié 1 fois.
Raison : Modif. par Casio : Mise en local du cliché !
Raison : Modif. par Casio : Mise en local du cliché !
--
Metalman !
Association Pentacle Technologie
Metalman !
Association Pentacle Technologie
- Krapoutchik
- Contrôle WDA

- Messages : 1095
- Enregistré le : 01 juil. 2009, 08:00
- Collectionneur (-euse) ? : Oui
- Localisation : Paris
Re: [Qst] - Démarrer une Famicom
Pas de led de mise en route sur la Famicom mais il y en a eu plusieurs versions alors je ne suis pas si affirmatif que ça au final
.
La prise RF est bien une prise antenne mais suivant l'origine de ta Famicom tu peux avoir du Pal ou du NTSC, le problème est que sur les écrans d'aujourd'hui le tuner est numérique et scanne les fréquences par saut bien défini si ta famicom est réglée (ou déréglée) entre 2 canaux tu ne verras, comme sœur Anne, que le soleil qui poudroie
. si elle affiche du PAL, pas de problème toutes les télés de moins de 15 ans sont bistandards mais par contre si elle est NTSC les télés européennes ne le capte pas mais certaines peuvent l'afficher uniquement si l'entrée se fait par l'entrée vidéo.
Si ta Famicom est PAL et que tu captes une image pas terrible ou franchement mauvaise sur ta télé tu peux affiner le réglage et donc l'image en tournant très légérement une self d'accord qui se trouve dans le capot métallique à l'intérieur et sur l'arrière.
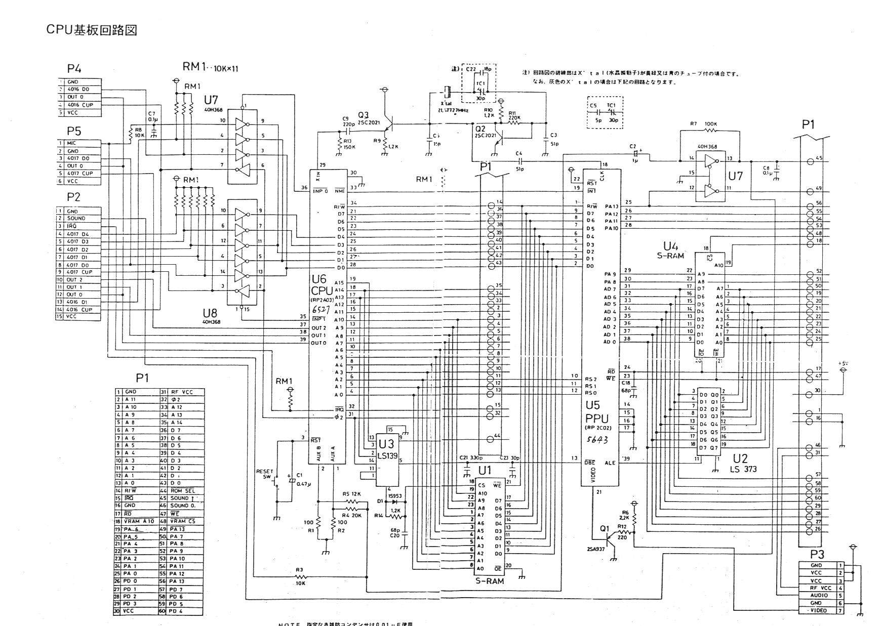
Si elle NTSC et que tu n'as pas de télé compatible tu peux t'en sortir en repiquant le signal vidéo à l'intérieur sur la patte 7 du connecteur P3 (en bas à droite du schéma).
Le connecteur P3 se raccorde sur une carte additionnelle qui comporte le modulateur HF pour la télévision c'est sur ce modulateur que tu trouveras la self de réglage, utiliser un tournevis en plastique (touillette à café retaillée par exemple) pour régler la self, pas de tournevis en métal !
Et voili et voilou
La prise RF est bien une prise antenne mais suivant l'origine de ta Famicom tu peux avoir du Pal ou du NTSC, le problème est que sur les écrans d'aujourd'hui le tuner est numérique et scanne les fréquences par saut bien défini si ta famicom est réglée (ou déréglée) entre 2 canaux tu ne verras, comme sœur Anne, que le soleil qui poudroie
Si ta Famicom est PAL et que tu captes une image pas terrible ou franchement mauvaise sur ta télé tu peux affiner le réglage et donc l'image en tournant très légérement une self d'accord qui se trouve dans le capot métallique à l'intérieur et sur l'arrière.
Si elle NTSC et que tu n'as pas de télé compatible tu peux t'en sortir en repiquant le signal vidéo à l'intérieur sur la patte 7 du connecteur P3 (en bas à droite du schéma).
Le connecteur P3 se raccorde sur une carte additionnelle qui comporte le modulateur HF pour la télévision c'est sur ce modulateur que tu trouveras la self de réglage, utiliser un tournevis en plastique (touillette à café retaillée par exemple) pour régler la self, pas de tournevis en métal !
Et voili et voilou
Tektronix 454A, Atten ADS 1102CAL Powa !!
Born to bricole
[Rch] Vieux composants électroniques et circuits intégrés toute époque et vieilles cartes à microprocesseur
Ma petite collection...
Tutoriel pour insérer des photos...
Born to bricole
[Rch] Vieux composants électroniques et circuits intégrés toute époque et vieilles cartes à microprocesseur
Ma petite collection...
Tutoriel pour insérer des photos...
Re: [Qst] - Démarrer une Famicom
J'ai réussi !
On a raccourci le câble vidéo... et d'un coup ça a marché !
Mon alim' n'est pas gg, donc j'attends celle qui fait "vraiment" du 10V.
Mais je n'ai aucun son... enfin si : je capte la radio...
Sinon en résumé :
Alim' : 10V, 850mA, - au centre, + autour
Vidéo : CH1 et 2 émetent sur fréquences 90 ~ 92 Mhz et 94 ~ 97 Mhz en format "non Français" (UK, Europe Est ou Ouest fonctionnent sans son)
Faire un câble vidéo court de préférence.
On a raccourci le câble vidéo... et d'un coup ça a marché !
Mon alim' n'est pas gg, donc j'attends celle qui fait "vraiment" du 10V.
Mais je n'ai aucun son... enfin si : je capte la radio...
Sinon en résumé :
Alim' : 10V, 850mA, - au centre, + autour
Vidéo : CH1 et 2 émetent sur fréquences 90 ~ 92 Mhz et 94 ~ 97 Mhz en format "non Français" (UK, Europe Est ou Ouest fonctionnent sans son)
Faire un câble vidéo court de préférence.
--
Metalman !
Association Pentacle Technologie
Metalman !
Association Pentacle Technologie
Qui est en ligne
Utilisateurs parcourant ce forum : ClaudeBot [Bot] et 2 invités